ZAJW自动调节蝶阀,其电动执行机构能够将系统的控制信号转换成相应的动作,使被控制介质按系统工作的状态工作,广泛适用于冶金、石油、化工、电站等工业部门生产过程的自动调节或远距离控制,特备适用于低压差、大气流的气体管路上。此阀结构简单紧凑,操作方便,易维修。

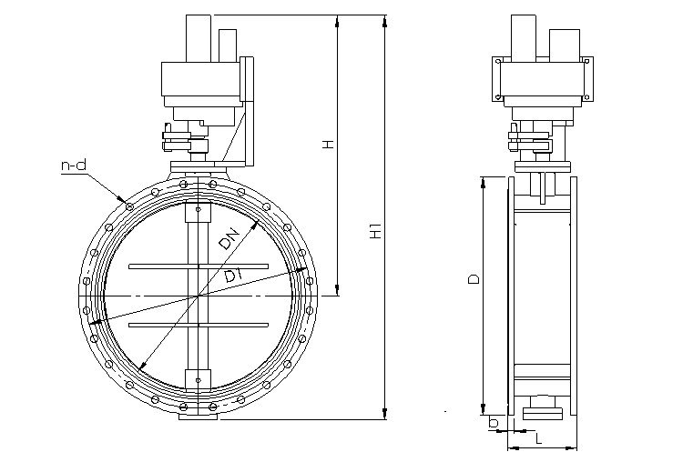
主要尺寸、参数及重量
注:本阀可按用户要求设计制作。
| D | D1 | L | b | H | H1 | n-d | 质量 |
200 | 320 | 280 | 140 | 20 | 510 | 706 | 8-18 | 96 |
250 | 375 | 335 | 140 | 20 | 535 | 756 | 12-18 | 105 |
300 | 440 | 395 | 170 | 22 | 591 | 832 | 12-22 | 131 |
350 | 485 | 445 | 170 | 22 | 810 | 1076 | 12-22 | 135 |
400 | 535 | 495 | 190 | 22 | 816 | 1110 | 16-22 | 165 |
500 | 640 | 600 | 190 | 22 | 962 | 1323 | 20-22 | 218 |
600 | 755 | 705 | 210 | 24 | 1011 | 1406 | 20-26 | 245 |
700 | 860 | 810 | 210 | 24 | 1061 | 1506 | 24-26 | 320 |
800 | 975 | 920 | 210 | 24 | 1269 | 1802 | 24-30 | 460 |
900 | 1075 | 1020 | 250 | 30 | 1334 | 1932 | 24-30 | 500 |
1000 | 1175 | 1120 | 250 | 30 | 1536 | 2287 | 28-30 | 613 |
1100 | 1275 | 1220 | 250 | 30 | 1586 | 2387 | 28-30 | 632 |
1200 | 1375 | 1320 | 250 | 30 | 1605 | 4670 | 32-30 | 687 |
1400 | 1575 | 1520 | 300 | 30 | 1723 | 2598 | 36-30 | 850 |
1600 | 1795 | 1730 | 300 | 30 | 1805 | 2785 | 40-30 | 1100 |
1700 | 1890 | 1830 | 300 | 30 | 1876 | 2972 | 40-30 | 1180 |
1800 | 1985 | 1930 | 300 | 30 | 1918 | 2988 | 44-30 | 1298 |